Moin,
bin gerade dabei, mir el. Fensterheber einzubaun.
Fahrerseite klappt einwandfrei. Nur habe ich probs mit den andren beiden Schaltern. Hier am Schreibtisch gehen sie. Nur im Auto geben sie keinen Mucks von sich, obwohl ich sie jeweils auf der Fahrerseite angeschlossen habe.
Hat vllt. jemand einen passenden Schaltplan parat?
universal elektrische FH mit original Schaltern
- cih
- Schrauber
- Beiträge: 418
- Registriert: 05.06.2010, 16:11
- Fahrzeug: Corsa B X12SZ
- Wohnort: Hannover-Nordstadt
- Kontaktdaten:
Re: universal elektrische FH mit original Schaltern
Ich habs jetzt geschafft.
Habe die originalen Schalter beibehalten und den Massegeschalteten Kabelbaum mittels 2 Lastrelais (ich hab die grünen aussm Sicherungskasten genommen) zu einem Plusgeschalten umgebaut.
Die Fahrerseite kann man original anschliessen.
vom Schalter auf der FS für den Fensterheber Beifahrerseite gehen 2 Kabel für AUF und AB zur Beifahrerseite. Ebenso ein Pluskabel. Dort werden dann die 2 Relais zwischengebaut:
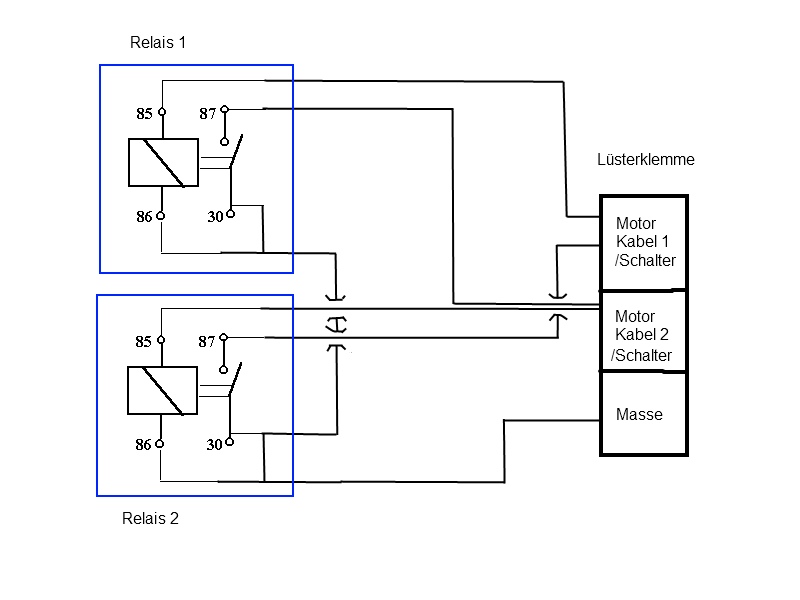
So siehts dann aus:
Habe die originalen Schalter beibehalten und den Massegeschalteten Kabelbaum mittels 2 Lastrelais (ich hab die grünen aussm Sicherungskasten genommen) zu einem Plusgeschalten umgebaut.
Die Fahrerseite kann man original anschliessen.
vom Schalter auf der FS für den Fensterheber Beifahrerseite gehen 2 Kabel für AUF und AB zur Beifahrerseite. Ebenso ein Pluskabel. Dort werden dann die 2 Relais zwischengebaut:
So siehts dann aus:
http://www.opelforum.de

Steckbrief meines Corsas:
http://php.opelforum.de/viewtopic.php?f=44&t=10452

Steckbrief meines Corsas:
http://php.opelforum.de/viewtopic.php?f=44&t=10452